联系电话
联系我们

济南市高新区联合财商广场1号楼15层

  联系人:高经理  

  电  话:0531-68684888

  手  机:18766446695  

  传  真:0531-58702200

网址:www.leilatu.com.cn

电源资讯

脉冲宽度调制式开关稳压电源的基本原理和各种

来源:未知 浏览次数: 日期:2018-12-17 23:20

开关电源实质就是一个振荡电路,这种转换电能的方式,不仅应用在电源电路,在其它的电路应用也很普遍,如液晶显示器的背光电路、日光灯等。开关电源的效率可达85%以上,稳压范围宽,除此之外,还具有稳压精度高、不使用电源变压器等特点,是一种较理想的稳压电源。正因为如此,开关式稳压电源已广泛应用于各种电子设备中。因此下面就主要介绍调宽式开关稳压电源。

 开关式稳压电源的基本工作原理

 开关式稳压电源接控制方式分为调宽式和调频式两种,在实际的应用中,调宽式使用得较多,在目前开发和使用的开关电源集成电路中,绝大多数也为脉宽调制型

 调宽式开关稳压电源的基本原理可参见下图。

  图1 调宽式开关稳压电源的基本原理

 对于单极性矩形脉冲来说,其直流平均电压Uo取决于矩形脉冲的宽度,脉冲越宽,其直流平均电压值就越高。直流平均电压U。可由公式计算,

 即Uo=Um×T1/T

 式中Um为矩形脉冲最大电压值;T为矩形脉冲周期;T1为矩形脉冲宽度。

 从上式可以看出,当Um与T不变时,直流平均电压Uo将与脉冲宽度T1成正比。这样,只要我们设法使脉冲宽度随稳压电源输出电压的增高而变窄,就可以达到稳定电压的目的。

 开关式稳压电源的原理电路

 1. 基本电路

 

  图2 开关电源基本电路框图

 开关式稳压电源的基本电路框图如图2所示。

 交流电压经整流电路及滤波电路整流滤波后,变成含有一定脉动成份的直流电压,该电压进人高频变换器被转换成所需电压值的方波,最后再将这个方波电压经整流滤波变为所需要的直流电压。

 控制电路为一脉冲宽度调制器,它主要由取样器、比较器、振荡器、脉宽调制及基准电压等电路构成。这部分电路目前已集成化,制成了各种开关电源用集成电路。控制电路用来调整高频开关元件的开关时间比例,以达到稳定输出电压的目的。

 2. 单端反激式开关电源

 单端反激式开关电源的典型电路如图3所示。电路中所谓的单端是指高频变换器的磁芯仅工作在磁滞回线的一侧。所谓的反激,是指当开关管VT1导通时,高频变压器T初级绕组的感应电压为上正下负,整流二极管VD1处于截止状态,在初级绕组中储存能量。当开关管VT1截止时,变压器T初级绕组中存储的能量,通过次级绕组及VD1整流和电容C滤波后向负载输出。

  图3 单端反激式开关电源的典型电路

 单端反激式开关电源是一种成本最低的电源电路,输出功率为20-100W,可以同时输出不同的电压,且有较好的电压调整率。唯一的缺点是输出的纹波电压较大,外特性差,适用于相对固定的负载。

 单端反激式开关电源使用的开关管VT1承受的最大反向电压是电路工作电压值的两倍,工作频率在20-200kHz之间。

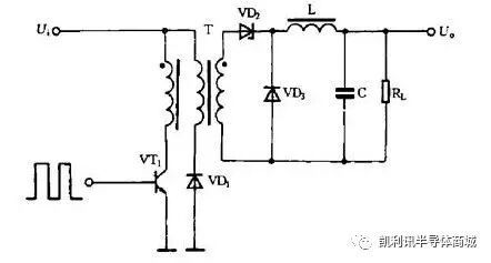
 3.单端正激式开关电源

 单端正激式开关电源的典型电路如图4所示。这种电路在形式上与单端反激式电路相似,但工作情形不同。当开关管VT1导通时,VD2也导通,这时电网向负载传送能量,滤波电感L储存能量;当开关管VT1截止时,电感L通过续流二极管VD3继续向负载释放能量。

  图4 单端正激式开关电源的典型电路

 在电路中还设有钳位线圈与二极管VD2,它可以将开关管VT1的最高电压限制在两倍电源电压之间。为满足磁芯复位条件,即磁通建立和复位时间应相等,所以电路中脉冲的占空比不能大于50%。由于这种电路在开关管VT1导通时,通过变压器向负载传送能量,所以输出功率范围大,可输出50-200W的功率。电路使用的变压器结构复杂,体积也较大,正因为这个原因,这种电路的实际应用较少。

 4.自激式开关稳压电源

 自激式开关稳压电源的典型电路如图5所示。这是一种利用间歇振荡电路组成的开关电源,也是目前广泛使用的基本电源之一。

  图5 自激式开关稳压电源的典型电路

 当接入电源后在R1给开关管VT1提供启动电流,使VT1开始导通,其集电极电流Ic在L1中线性增长,在L2中感应出使VT1基极为正,发射极为负的正反馈电压,使VT1很快饱和。与此同时,感应电压给C1充电,随着C1充电电压的增高,VT1基极电位逐渐变低,致使VT1退出饱和区,Ic开始减小,在L2中感应出使VT1基极为负、发射极为正的电压,使VT1迅速截止,这时二极管VD1导通,高频变压器T初级绕组中的储能释放给负载。在VT1截止时,L2中没有感应电压,直流供电输人电压又经R1给C1反向充电,逐渐提高VT1基极电位,使其重新导通,再次翻转达到饱和状态,电路就这样重复振荡下去。这里就像单端反激式开关电源那样,由变压器T的次级绕组向负载输出所需要的电压。

 自激式开关电源中的开关管起着开关及振荡的双重作从,也省去了控制电路。电路中由于负载位于变压器的次级且工作在反激状态,具有输人和输出相互隔离的优点。这种电路不仅适用于大功率电源,亦适用于小功率电源。

 5.推挽式开关电

 推挽式开关电源的典型电路如图6所示。它属于双端式变换电路,高频变压器的磁芯工作在磁滞回线的两侧。电路使用两个开关管VT1和VT2,两个开关管在外激励方波信号的控制下交替的导通与截止,在变压器T次级统组得到方波电压,经整流滤波变为所需要的直流电压。

  图6 推挽式开关电源的典型电路

 这种电路的优点是两个开关管容易驱动,主要缺点是开关管的耐压要达到两倍电路峰值电压。电路的输出功率较大,一般在100-500W范围内。

 6.降压式开关电源

 降压式开关电源的典型电路如图7所示。当开关管VT1导通时,二极管VD1截止,输人的整流电压经VT1和L向C充电,这一电流使电感L中的储能增加。当开关管VT1截止时,感L感应出左负右正的电压,经负载RL和续流二极管VD1释放电感L中存储的能量,维持输出直流电压不变。电路输出直流电压的高低由加在VT1基极上的脉冲宽度确定。

  图7 降压式开关电源的典型电路

 这种电路使用元件少,它同下面介绍的另外两种电路一样,只需要利用电感、电容和二极管即可实现。

 7.升压式开关电源

 升压式开关电源的稳压电路如图8所示。当开关管VT1导通时,电感L储存能量。当开关管VT1截止时,电感L感应出左负右正的电压,该电压叠加在输人电压上,经二极管VD1向负载供电,使输出电压大于输人电压,形成升压式开关电源。

  图8 升压式开关电源的稳压电路

 8.反转式开关电源

 反转式开关电源的典型电路如图9所示。这种电路又称为升降压式开关电源。无论开关管VT1之前的脉动直流电压高于或低于输出端的稳定电压,电路均能正常工作。

  图9 反转式开关电源的典型电路

 当开关管VT1导通时,电感L储存能量,二极管VD1截止,负载RL靠电容C上次的充电电荷供电。当开关管VT1截止时,电感L中的电流继续流通,并感应出上负下正的电压,经二极管VD1向负载供电,同时给电容C充电。

 以上介绍了脉冲宽度调制式开关稳压电源的基本工作原理和各种电路类型,在实际应用中,会有各种各样的实际控制电路,但无论怎样,也都是在这些基础上发展出来的。



0


 关键词: 脉冲,宽度,调,制式,开关,稳压电源,的,基本,